首页    公司简介    主要产品    服务    联系方式 
方轴驱动液压扳手 中空液压扳手 液压螺栓拉伸器
定力矩电动扳手 弯头定力矩电动扳手 液压拉马
液压千斤顶 液压泵站 超高压聚氨酯软管
超高压液压快速接头 增力扳手 螺母破切器
 

SYB-B系列中空液压扭矩扳手

特点:

    ▲ 机身薄,而且不需要套筒,因此特别适用于空间狭小,尤其是高度空间受限制的场合;

     全封闭整体机身结构,零部件不外漏,安全性能好,且可杜绝灰尘杂物进入,保护零部件不受损伤,并可保证良好润滑,延长适用寿命;

     360°×180°旋转快速接头可使液压软管从任何方向引入,适应任何使用空间;

     输出力矩精度3%;

     零部件高度集成,可靠性高;

     动力头和中空驱动插件可拆卸,一台动力头可选配多种中空驱动插件,拆装多种规格的螺栓,如螺栓直径空间允许,可在中空插件中直接插装中空过度套筒拆装比该插件较小规格的螺栓;

     可根据需要配备加长反支撑力臂和垂直反力臂,适应特殊应用场合;

     关键部件安全系数高,安全可靠,经久耐用;

     外形美观,无论内在质量和外观都完全可与发达国家进口同类产品媲美。

 

技术参数及扳手选型:

    用户可参照下表和《中空扳手驱动插件套筒选型表》并结合《螺栓预紧力矩值推荐表》选型;如有问题请与我公司技术人员联系,电话:0717-8619651

 

 

 

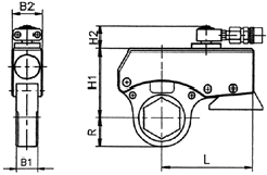
型号 SYB-B03 SYB-B05 SYB-B10 SYB-B20
输出力矩范围(Nm) 200-3000 600-6000 1000-10000 2000-20000
插件对边尺寸(mm) 32-50 41-70 55-90 80-130
重量(KG) 2.5 4.1 5.5 13.6
输出力矩精度 3% 3% 3% 3%
L(mm) 135 156 200 260
H1(mm) 91/103 115/130 141/156 182/212
H2(mm) 38 38 38 38
B1(mm) 28 35 47 56
B2(mm) 40 50 65 82
R(mm) 28-48 34-59 46-73 62-96

 说明:1,表中数据为本公司通用产品数据,SYB-B40,SYB-B60两规格表中未列出,如用户需要,可定做;

           用户如有其他特殊要求,我们可根据用户要求进行专门设计。

        2,我们保留由于产品改进对表中数据修改的权利。

         


公司名称:宜昌市赛洋机械制造有限责任公司   地址:湖北省宜昌市西陵经济开发区西湖路25号

电话: 0717-6724110 13697288796  邮编:443002

网址:http://www.sayangweb.com  电子邮件: 1901653117@qq.com